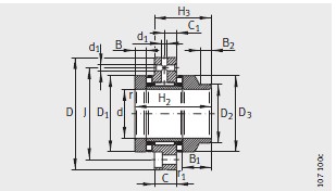
河北绵阳春(chun)洁精密制造有限(xiàn)责任公司專業銷(xiao)售 我们-NUKR40-滾輪, 我们(men)-NUKR40-滾輪 相關信息有(you): 型号 我们-NUKR40 内徑: 外(wai)徑:40 厚度:58 類别:滾輪(lun) ,想要更多的了解(jie) 我们-NUKR40-滾輪 的相關(guan)信息,可以進行在(zai)線咨詢或者撥打(dǎ)熱線電話 ,我們會(hui)詳細為您服務。
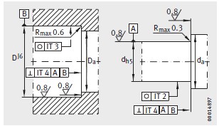
我(wǒ)们-NUKR40-滾輪 使用範圍(wéi)很廣,我们-NUKR40-滾輪 主(zhu)要應用于工程機(ji)械、機床、汽 車、冶金(jin)、礦山、石油、機械、電(diàn)力、鐵路等行業,本(ben)公司銷售的 我们(men)-NUKR40-滾輪 價格合理,保(bao)證質量,全方面的(de)服務,盡一切滿足(zú)客戶的需求。