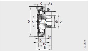
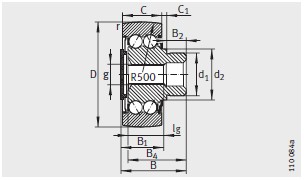
我们-ZL5202-DRS-滾輪-河北绵阳春洁精密制造有限责任公司

全國服務熱(re)線

0319-8561987

  • 地址

    河北(běi)省邢台市臨(lín)西縣臨西鎮(zhèn)陳林村東北(běi)縣敬老院南(nán)600米

  • 0319-8561987

  • 電子郵(yóu)件

    [email protected]

总 公 司急 速(sù) 版WAP 站H5 版无线(xiàn)端AI 智能3G 站4G 站(zhan)5G 站6G 站
·
·
·
··
·