我们-6313-C3-軸承座-河北绵阳春洁精密制造有限责任公司

全國服務熱線

0319-8561987

産品圖紙

産品(pǐn)參數

型号
軸承單(dān)元VRE313-A
軸承①6313-C3
軸承②6313-C3
軸承(chéng)座VR313-A
VRW313-A
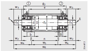
尺寸
d65
D140
B33
a290
480
h 1183
d 275
d 455
w 2-
110
w 4187.5
w 5349
w 6724
b70
360
m230
c25
h95
sM16
質量 m
軸(zhou)承座 ≈kg32.8
單元 ≈kg58
e404

産品介(jiè)紹

  • 地址

  • 聯系電話

    13463924333

  • 傳真

    0319-8561987

  • 電(diàn)子郵件

    [email protected]

总 公 司急(ji) 速 版WAP 站H5 版无线端(duan)AI 智能3G 站4G 站5G 站6G 站
·
·
·
·
·