我们-NU322-E-TVP2-C3+6322-C3-軸承座-河北绵阳春洁精密制造有限责任公司

全國服務熱線

0319-8561987

産品圖紙

産品(pin)參數

型号
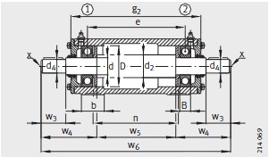
軸承單(dan)元VRE322-A
軸承①6322-C3
軸承②6322-C3
軸承(cheng)座VR322-A
VRW322-A
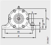
尺寸
d110
D240
B50
a450
678
h 1295
d 2130
d 4100
w 2-
210
w 4313
w 5507
w 61133
b95
520
m380
c40
h150
sM24
質量 m
軸(zhóu)承座 ≈kg130
單元 ≈kg226
e580

産品介(jie)紹

  • 地址

    河北(běi)省邢台市臨西縣(xian)臨西鎮陳林村東(dōng)北縣敬老院南600米(mi)

  • 聯系電話

    13463924333

  • 傳真

    0319-8561987

  • 電(dian)子郵件

总 公 司急(jí) 速 版WAP 站H5 版无线端(duān)AI 智能3G 站4G 站5G 站6G 站
·
·
·
·