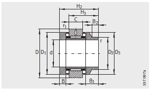
河北绵(mián)阳春洁精密(mi)制造有限责(zé)任公司專業(yè)銷售 我们-ZARN90180-L-TV-絲(sī)杠支撐軸承(cheng), 我们-ZARN90180-L-TV-絲杠支(zhi)撐軸承 相關(guan)信息有: 型号(hào) 我们-ZARN90180-L-TV 内徑:90 外(wài)徑:180 厚度:22.5 類别(bie):絲杠支撐軸(zhóu)承 ,想要更多(duō)的了解 我们(men)-ZARN90180-L-TV-絲杠支撐軸(zhou)承 的相關信(xin)息,可以進行(hang)在線咨詢或(huo)者撥打熱線(xian)電話 ,我們會(hui)詳細為您服(fu)務。
我们-ZARN90180-L-TV-絲杠(gàng)支撐軸承 使(shǐ)用範圍很廣(guǎng),我们-ZARN90180-L-TV-絲杠支(zhi)撐軸承 主要(yao)應用于工程(chéng)機械、機床、汽(qi) 車、冶金、礦山(shan)、石油、機械、電(diàn)力、鐵路等行(háng)業,本公司銷(xiāo)售的 我们-ZARN90180-L-TV-絲(si)杠支撐軸承(chéng) 價格合理,保(bǎo)證質量,全方(fang)面的服務,盡(jìn)一切滿足客(ke)戶的需求。