我们-U308-推力球軸承-河北绵阳春洁精密制造有限责任公司

全國服務熱(rè)線

0319-8561987

我们-U308-推力(li)球軸承

  • 舊型(xing)号:
  • 類别:推力(li)球軸承
  • 内徑(jing):40
  • 外徑:78
  • 厚度:28.5
  • 系(xi)列:d 30-45mm
立即咨詢(xún)

産品圖紙

産(chǎn)品參數

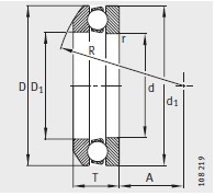
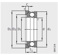
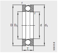
型号(hao)
軸承
墊圈
質(zhi)量m
軸承 ≈kg
墊圈(quan) ≈kg0.12
尺寸mm
d
D78
T28.5
D 142
d 178
r min1
R64
A28
D 260
D 382
C8.5
T 131
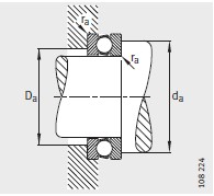
安裝尺(chǐ)寸mm
d a min63
D a max60
r a max1
基本額定(ding)載荷N
動載荷(hé) C a61000
靜載荷 C oa112000
疲勞(láo)極限載荷 C ua N
最小載荷系(xi)數 A
最小載荷(hé)系數 A0.08
極限轉(zhuǎn)速 n G min –1
極限轉速(su) n G min –14000

産品介紹

我(wǒ)们-U308-推力球軸(zhóu)承 使用範圍(wei)很廣,我们-U308-推(tui)力球軸承 主(zhu)要應用于工(gōng)程機械、機床(chuáng)、汽 車、冶金、礦(kuang)山、石油、機械(xiè)、電力、鐵路等(děng)行業,本公司(sī)銷售的 我们(men)-U308-推力球軸承(chéng) 價格合理,保(bǎo)證質量,全方(fāng)面的服務,盡(jin)一切滿足客(kè)戶的需求。

  • 河北省(shěng)邢台市臨西(xi)縣臨西鎮陳(chén)林村東北縣(xiàn)敬老院南600米(mi)

  • 聯系電話

    13463924333

  • 0319-8561987

  • [email protected]

总(zǒng) 公 司急 速 版(bǎn)WAP 站H5 版无线端(duān)AI 智能3G 站4G 站5G 站(zhan)6G 站
·
··
·
·