我们-ZKLN0832-2RS-絲杠支撐軸承-河北绵阳春洁精密制造有限责任公司

全國服務熱線

0319-8561987

産品(pin)圖紙

産品參數

型(xíng)号
型号ZKLN0832-2RS
剛度 軸向(xiang) c aL N/μm
剛度 軸向 C aL N/μm250
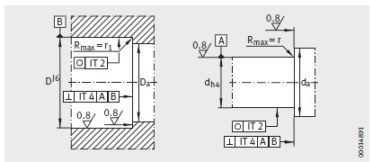
尺寸mm
d -0.0058
D -0.01032
B -0.2520
d 119
r min0.3
r 1 min0.6
安(an)裝尺寸mm
d a min11
基本額定(dìng)載荷 軸向
動載荷(hé) C a N12500
靜載荷 C oa N16300
推薦的INA鎖(suo)緊螺母,需單獨訂(ding)購
型号1ZM08
型号2-
鎖緊(jin) 力矩 3) MA Nm4
2216
質量m ≈kg
質量m ≈kg0.09
極限 轉速 n G 脂(zhī) min –15100
軸承 摩擦 力矩 M RL Nm
軸(zhóu)承 摩擦 力矩 M RL Nm0.08
傾覆(fu) 剛度 c kL Nm/ mrad
傾覆 剛度 c kL Nm/ mrad20
軸向 跳動(dong) 4) μm2
質量 慣性矩 1) M m kg · cm 2
質量(liàng) 慣性矩 1) M m kg · cm 20.02

産品介紹(shào)

  • 地址(zhǐ)

  • 聯系電話

    13463924333

  • 傳(chuán)真

    0319-8561987

  • 電子郵件

    [email protected]

总 公(gong) 司急 速 版WAP 站H5 版无(wú)线端AI 智能3G 站4G 站5G 站(zhan)6G 站
·
·
·
·
·