我们-89432-M-推力圓柱滾子軸承-河北绵阳春洁精密制造有限责任公司

全國服務(wu)熱線

0319-8561987

  • 新型号:我(wo)们-89432-M
  • 舊型号(hào):
  • 内徑(jing):
  • 外徑:
  • 厚度(dù):
  • 系列:d 65-100mm
立即(jí)咨詢

産品(pin)圖紙

産品(pin)參數

推力(li)圓柱滾子(zi)軸承
型号(hao)1-
型号2-
型号(hào)3-
型号489432-M
質量(liang)m ≈kg42
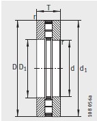
推力圓柱(zhu)滾子和保(bao)持架 組件(jiàn)
型号K89432-M
質量(liang)m ≈kg12.4
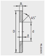
推力軸承(cheng)墊圈
座圈(quān) 型号GS89432
軸圈(quān) 型号
墊圈(quan) 型号-
質量(liàng)m ≈kg14.8
尺寸mm
D c1 d160
D 1164
d 1320
T95
D w
B31.5
a r min5
E b179
E a313
基本(běn)額定載荷(hé)N
動載荷 C a1780000
靜(jìng)載荷 C oa
疲勞(lao)極限載荷(hé) C ua N
疲勞極限(xian)載荷 C ua N560000
極限(xian)轉速 n G min –1
極限(xiàn)轉速 n G min –11160
參考(kao)轉速 n B min –1

産品(pin)介紹

河北(bei)绵阳春洁(jie)精密制造(zao)有限责任(ren)公司專業(yè)銷售 我们(men)-89432-M-推力圓柱(zhù)滾子軸承(cheng), 我们-89432-M-推力(lì)圓柱滾子(zǐ)軸承 相關(guan)信息有: 型(xíng)号 我们-89432-M 内(nèi)徑: 外徑: 厚(hou)度: 類别:推(tui)力圓柱滾(gǔn)子軸承 ,想(xiǎng)要更多的(de)了解 我们(men)-89432-M-推力圓柱(zhù)滾子軸承(cheng) 的相關信(xìn)息,可以進(jìn)行在線咨(zī)詢或者撥(bo)打熱線電(diàn)話 ,我們會(hui)詳細為您(nin)服務。

我们(men)-89432-M-推力圓柱(zhù)滾子軸承(chéng) 使用範圍(wéi)很廣,我们(men)-89432-M-推力圓柱(zhù)滾子軸承(cheng) 主要應用(yong)于工程機(ji)械、機床、汽(qi) 車、冶金、礦(kuang)山、石油、機(jī)械、電力、鐵(tiě)路等行業(yè),本公司銷(xiao)售的 我们(men)-89432-M-推力圓柱(zhù)滾子軸承(chéng) 價格合理(li),保證質量(liàng),全方面的(de)服務,盡一(yi)切滿足客(kè)戶的需求(qiú)。

总 公 司(sī)急 速 版WAP 站(zhàn)H5 版无线端(duan)AI 智能3G 站4G 站(zhàn)5G 站6G 站
·
·
·
·